This double production line concrete batching plant is an integrated high-efficiency automatic concrete production equipment configured with two independent production lines, which adopts JS750 twin-shaft compulsory mixer and planetary vertical shaft mixer as the core mixing hosts respectively.
It is composed of three-bin centralized aggregate weighing system, belt conveyor, powder storage silo, screw conveyor, intelligent PLC centralized control cabinet and auxiliary conveying equipment. The plant realizes accurate centralized metering of sand, stone and other aggregates, stable and efficient material conveying by belt conveyor, and homogeneous mixing of cement, fly ash, water, chemical admixtures with weighed aggregates through two different high-performance mixers.
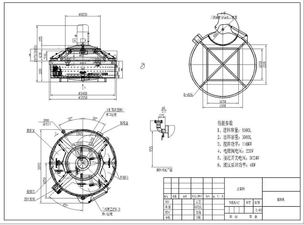
The vertical shaft planetary concrete mixer with hopper is a high-performance integrated concrete mixing equipment that combines a premium vertical shaft planetary mixing host with a dedicated feeding hopper. Its unique planetary mixing structure enables the stirring blades to make dual movements of autorotation and revolution inside the mixing drum, realizing 360° three-dimensional and dead-angle-free mixing.





| Model | HZS25 | HZS35 | HZS50 | HZS60 | HZS75 | HZS90 |
|---|---|---|---|---|---|---|
| Discharging Capacity (L) | 500 | 750 | 1000 | 1000 | 1500 | 1500 |
| Max Productivity (m³/h) | 25 | 35 | 50 | 60 | 75 | 90 |
| Charging Model | Skip Hopper | Skip Hopper | Skip Hopper | Belt Conveyor | Skip Hopper | Belt Conveyor |
| Total Power (kw) | 60 | 78.5 | 111 | 145 | 110 | 198.06 |
We are a professional concrete batching plant manufacturer with 15 years of production experience. Our facility covers a total area of 20,000 square meters. We have a professional design team capable of creating various concrete mixing equipment tailored to different customer needs, supported by a strict quality inspection team and excellent after-sales installation services.



